УВЕДОМЛЕНИЕ О ПОЖАРЕ
Сигнал срабатывания извещателя сохраняется после окончания воздействия на него продуктов горения (дыма). Сброс сигнала производится отключением или переполюсовкой питания извещателя на время не менее 3 секунд.
ИНДИКАТОР РАБОТЫ
"Дежурный режим" - мигание индикатора с периодом 7 секунд; "Пожар" - мигание индикатора с частотой около 2 Гц. Индикация работоспособности дымового канала.
ГАРАНТИЯ РАБОТОСПОСОБНОСТИ
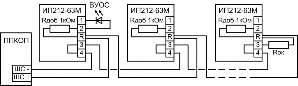
Встроенный дополнительный резистор 1кОм. Автоматическая компенсация запылённости дымовой камеры. Извещатель сохраняет работоспособность при воздействии фоновой освещённости от искусственного и/или естественного освещения 12 000 лк.
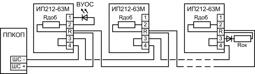
Типовая схема включения извещателя для приборов с однополярным шлейфом сигнализации. Величина резистора Rок определяется в соответствии с техническим описанием ПКП
Типовая схема включения извещателя для приборов с переполюсовкой шлейфа сигнализации. Величина резисторов Rок и Rдоб определяется в соответствии с техническим описанием ПКП
|
Тип товара
|
Датчик дыма |
|
Бренд
|
Сибирский Арсенал |
|
Потребляемый ток
|
В тревожном режиме: 25 мА; При напряжении питания 20 В: 75 мкА |
|
Напряжение питания
|
9 - 30 В |
|
Степень защиты
|
IP40 |
|
Рабочая влажность
|
До 93% |
|
Рабочая температура
|
От -30 °C до +55 °C |
|
Вес изделия
|
150 г |
|
Габариты
|
104x50 мм |
Добавьте понравившийся товар в корзину. После этого перейдите в Корзину и нажмите на кнопку «Оформить заказ» или «Быстрый заказ»
Вы можете выбрать наиболее удобный для вас способ оплаты:
-
Наличными при самовывозе из фирменных магазинов Gigamart
-
Наличными курьеру при доставке курьерской службой Gigamart
-
Картой при самовывозе из фирменных магазинов или пункта выдачи заказов
-
Онлайн оплата через платёжные системы
Яндекс Касса,
СберPay,
T-Pay или по QR через
СБП
-
Оплата с рассрочкой или в кредит от
СберБанк,
Яндекс или
Тинькофф
При онлайн оплате вам потребуется заполнить специальную форму. Обязательно укажите: ваши имя и фамилию, электронный адрес и номер телефона.
Также вы можете получить ссылку на оплату по электронной почте или в СМС.
Более подробно о всех вариантах и условиях оплаты заказа вы можете узнать здесь.
Вы можете выбрать наиболее удобный для вас способ получения товара:
Курьерская доставка
-
Курьерская Яндекс Доставка
-
Курьерская доставка Gigamart
-
Курьерская доставка DPD
-
Курьерская доставка СДЕК
Самовывоз из пункта выдачи заказов
-
Самовывоз из пункта Яндекс
-
Самовывоз из магазина Gigamart
-
Самовывоз из пункта DPD
-
Самовывоз из пункта СДЕК
При доставке в пункт выдачи, вы сами выбираете на карте удобный для вас пункт и получаете номер для отслеживания посылки.
При поступлении заказа в пункт выдачи, вы дополнительно получаете СМС уведомление на указанный при оформлении номер телефона.
По согласованию возможны специальные условия доставки (ПЭК, Деловые линии).
Доставка осуществляется по всей территории России.
Более подробно о всех условиях и вариантах доставки вы можете узнать здесь.

